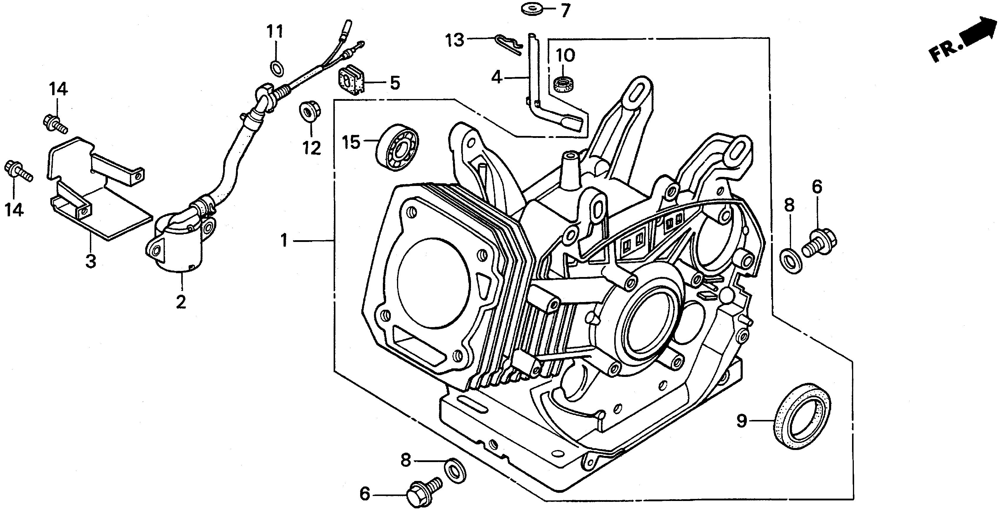
Ref No
Part Number
Description
Serial Range
Qty
Price
Ref No 1
Part Number 12000-ZE3-417
Description CYLINDER ASSY. (SELF STARTER+ALERT)
Serial Range 1253118 - 9999999
Qty
Price $775.70
Add To Cart
Ref No 2
Part Number 15510-ZE2-703
Description SWITCH ASSY., OIL LEVEL
Serial Range 1000001 - 9999999
Ref No 2
Part Number 15510-ZE2-704
Description SWITCH ASSY., OIL LEVEL
Serial Range 1000001 - 9999999
Ref No 3
Part Number 15515-ZE3-701
Description PLATE, OIL LEVEL SWITCH
Serial Range 1000001 - 9999999
Ref No 4
Part Number 16541-ZE3-000
Description SHAFT, GOVERNOR ARM
Serial Range 1000001 - 9999999
Ref No 4
Part Number 16541-ZE3-010
Description SHAFT, GOVERNOR ARM
Serial Range 1000001 - 9999999
Qty
Price $15.38
Add To Cart
Ref No 5
Part Number 31512-ZE2-000
Description GROMMET, WIRE
Serial Range 1253118 - 9999999
Qty
Price $3.82
Add To Cart
Ref No 6
Part Number 90131-896-650
Description BOLT, DRAIN PLUG (12X15)
Serial Range 1253118 - 9999999
Ref No 7
Part Number 90446-KE1-000
Description WASHER (8.2X17X0.8)
Serial Range 1000001 - 9999999
Qty
Price $2.16
Add To Cart
Ref No 8
Part Number 90601-ZE2-000
Description WASHER, DRAIN PLUG (12MM)
Serial Range 1000001 - 1463925
Qty
Price $3.16
Add To Cart
Ref No 8
Part Number 94109-12000
Description WASHER, DRAIN PLUG (12MM)
Serial Range 1463926 - 9999999
Qty
Price $1.50
Add To Cart
Ref No 9
Part Number 91201-ZE3-004
Description OIL SEAL (35X52X8)
Serial Range 1463926 - 9999999
Qty
Price $10.62
Add To Cart
Ref No 10
Part Number 91201-ZE9-003
Description OIL SEAL (8X14X5)
Serial Range 1463926 - 9999999
Qty
Price $5.10
Add To Cart
Ref No 10
Part Number 91203-952-771
Description OIL SEAL (8X14X5)
Serial Range 1000001 - 9999999
Ref No 11
Part Number 91353-671-003
Description O-RING (13.5X1.5) (ARAI)
Serial Range 1000001 - 9999999
Qty
Price $3.50
Add To Cart
Ref No 11
Part Number 91353-671-004
Description O-RING (14MM) (NOK)
Serial Range 1000001 - 9999999
Ref No 12
Part Number 94050-10000
Description NUT, FLANGE (10MM)
Serial Range 1000001 - 9999999
Ref No 13
Part Number 94251-08000
Description PIN, LOCK (8MM)
Serial Range 1000001 - 9999999
Qty
Price $1.50
Add To Cart
Ref No 14
Part Number 95701-06012-00
Description BOLT, FLANGE (6X12)
Serial Range 1000001 - 9999999
Qty
Price $1.98
Add To Cart
Ref No 15
Part Number 96100-62020-00
Description BEARING, RADIAL BALL (6202)
Serial Range 1000001 - 9999999